EF30.50.06.2.1.502
The GRUNDFOS EF pump is a lightweight pump suitable for both household and industrial applications.
The pump is equipped with a semi-open impeller with a single vane and a 30-millimeter passage, which is suitable for the following situations:
- Drainage and surface water containing a small amount of impurities.
- Sewage containing fibers, such as laundry water.
- Sewage excluding that from toilets.
- Sewage from commercial buildings excluding that from toilets.
The miniaturized design makes the pump suitable for both temporary and permanent installations.
The water pump is a cast iron submersible pump integrated with a single-phase submersible motor. Approval: EN 12050-2.
The pump has an intermediate lubricating oil chamber pre-filled with special non-toxic oil.
The pump is equipped with a cable joint for easy assembly and disassembly. This joint is sealed with polyurethane, which can prevent water from entering the motor through the cable.
The clamp between the pump body and the motor makes the disassembly and assembly very convenient. No special tools are required for on-site inspection.
The pump is equipped with a unique double shaft seal designed in a barrel shape. This makes it very easy to quickly replace the shaft seal on site without any special tools, and at the same time, it avoids the risk of incorrect installation.
The insulation class of the motor is Class F, and it is equipped with long-life, deep-groove, sealed ball bearings.
Submersible sewage pump EF30.50.06.2.1.502 Number: 96106546 Suitable for - Commercial sewage treatment
- Sewage transportation
The pump's single - piece, semi - open vanes are designed for a 30mm unobstructed passage, making it suitable for pumping sewage and other liquids, such as drainage water and surface water with fibers and small impurities.
|  |
Controller
- Humidity Sensor: No humidity sensor
- Capacitive Sensor for Detecting Impurities in Liquid: No oil - water content sensor
- AUTOADAPT: No
Liquid
- Liquid Temperature Range: 0.. 40 °C
- Liquid Temperature during Operation: 20 °C
- Density: 998.2 kg/m³
Technology
- Rated Flow Rate: 4.08 liters/second
- Maximum Flow: 9 liters/second
- Rated Head: 6.21 meters
- Type of Impeller: SEMI OPEN
- Max. Particle: 30 mm
- Main Shaft Seal: SiC/SiC
- Secondary Shaft Seal: LIP SEAL, NBR
- Maximum Hydraulic Efficiency: 63 %
- Approvals: EN 12050-2
- Curve Tolerance: ISO9906:2012 3B2
Materials
- Pump Casing: Cast iron
- Pump housing: EN-GJL-250
- Impeller: Cast iron
- EN-GJS-500-7
Installation
- Ambient Temperature Range: 0.. 40 °C
- Maximum Operating Pressure: 6 bar
- Interface Type: NPT(M)
- Size of Connection: 2 inch
- Pressure Rating for Pipe Connection: PN 10
- Maximum Installation Depth: 7 meters
- Automatic Hooking Device: Y
- Auto coupling: 97644486
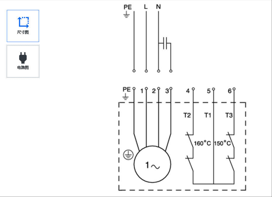
Electrical Data
- Power input P1: 1 kW
- Rated power - P2: 0.6 kW
- Power Supply Frequency: 50 Hz
- Rated voltage: 1 x 230 V
- Voltage Difference: +6/-10 %
- Maximum Number of Starts per Hour: 30
- Rated Current: 4.8 A
- Rated Current at 3/4 Load: 4.1 A
- Rated Current at 1/2 Load: 3.4 A
- Starting Current: 38 A
- No-load Rated Current: 2.6 A
- Cos phi - Power Factor: 0.90
- Cos phi - Power Factor at 3/4 Load: 0.86
- Cos phi - Power Factor at 1/2 Load: 0.81
- Rated Driver Speed: 2920 revolutions/minute
- Locked Rotor Torque: 6.5 Nm
- Stall Torque: 7 Nm
- Moment of Inertia: 0.0035 kg m²
- Motor Full-load Efficiency: 61 %
- Motor Efficiency at 3/4 Load: 55 %
- Motor Efficiency at 1/2 Load: 42 %
- Capacitor Size - Running: 30 µF
- Number of Motor Poles: 2
- Starting Method: Direct-on-line (DOL)
- Encapsulation Class (IEC 34-5): IP68
- Insulation class (IEC 85): F
- Explosion-proof: N
- Self-protection Standard: PTO
- Thermal protection: INT.
- Cable type: H07RN-F
- Length of power cable: 10 m
- Power plug: No plug
Others
- Net Weight: 40.5 kg
- Gross weight: 45.8 kg






Product Tags:
|
Grundfos Ef30.50 Submersible Sewage Pump Non Clogging Flood Rain Water Dirty Water Transfer Submersible Sewage Water Pump Images
|